This website uses cookies to ensure you get the best experience on our website. Read policy
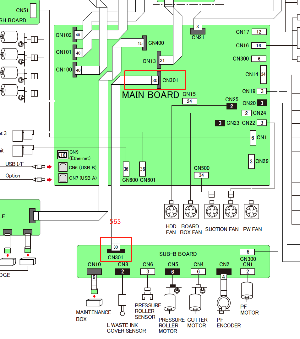
Genuine FFC CABLE (MAIN to SUB-B BOARD) for EPSON SureColor T7000 T7200 T7270 / B6000 F6000 F6200 F6270 F6300 F6370 CN301 - 2193750
In stock
SKU
EP-T7200-565
$61.00
- Buy 2 for $57.00 each and save 7%
- Genuine. Original. 100% Brand-new
- North American , Europe ETA 3-5 days
- Australia , Middle East , Asia ETA 3-5 days
Genuine FFC CABLE (MAIN to SUB-B BOARD)
for EPSON SureColor T7000 T7200 T7270
B6000 F6000 F6200 F6270 F6300 F6370
CN301 FFC CABLE (MAIN to SUB-B BOARD)
2193750













| Parts Name | CN301 HARNESS (MAIN to SUB-B BOARD) |
|---|---|
| Parts Code | 2193750 |
| Reference | 565 |
| Type | CABLE ASSY |
| Condition | Genuine, Original ,100% Brand-new, Unused, Undamaged, Original Packaging |
| Compatible Model | Epson SureColor T7000 T7050 T7070 Epson SureColor T7200 T7250 T7270 Epson SureColor B6000 B6070 Epson SureColor F6000 F6070 Epson SureColor F6200 F6270 Epson SureColor F6300 F6370 |
| Packaged Weight (kg) | 0.2 |
| Packaged Size (cm) | 15*10*13 |
Upsell Products






